Самовсасывающий вихревой насос PW-Z
Артикул:
PW550Z
Способы доставки
- Курьерская доставка в Ереване
- Самовывоз
Способы оплаты
- Наличными курьеру
- Банковская карта
- По счет-фактуре
Характеристики и преимущества
- Насос подходит как для холодной, так и для горячей воды.
- Усовершенствованная конструкция обеспечивает низкий уровень шума при работе насоса.
- Интеллектуальное управление благодаря встроенному расходомеру и датчику давления.
Материалы
- Корпус насоса: чугун со вставками из нержавеющей стали
- Корпус двигателя: алюминий
- Рабочее колесо: латунь
- Вал: нержавеющая сталь SUS304 и Cs45#
- Механическое уплотнение: керамика / графит / бутадиен-нитрильный каучук
- Медная обмотка
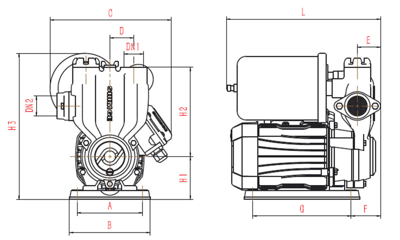
Конструкция и размеры

| Модель | DN1 | DN2 | A | B | C | D | E | F | G | L | H1 | H2 | H3 |
| PW125 | 3/4" | 3/4" | 110 | 136 | 204 | 46 | 39 | 49.5 | 165 | 259 | 72 | 150 | 245.5 |
| PW250 | 1" | 1" | 110 | 136 | 204 | 40 | 39 | 49.5 | 165 | 259 | 72 | 150 | 245.5 |
| PW370 | 1" | 1" | 110 | 136 | 204 | 40 | 39 | 49.5 | 165 | 259 | 72 | 150 | 245.5 |
| PW550 | 1" | 1" | 132 | 160 | 212 | 50 | 39 | 41.5 | 190 | 268 | 84 | 170 | 285 |
| PW750 | 1" | 1" | 132 | 160 | 212 | 50 | 39 | 41.5 | 190 | 268 | 84 | 170 | 285 |
| Модель | DN1 | DN2 | A | B | C | D | E | F | G | L | H1 | H2 | H3 |
| PW125Z | 3/4" | 3/4" | 110 | 136 | 204 | 46 | 39 | 49.5 | 165 | 259 | 72 | 150 | 261 |
| PW250Z | 1" | 1" | 110 | 136 | 204 | 40 | 39 | 49.5 | 165 | 259 | 72 | 150 | 261 |
| PW370Z | 1" | 1" | 110 | 136 | 204 | 40 | 39 | 49.5 | 165 | 259 | 72 | 150 | 261 |
| PW550Z | 1" | 1" | 132 | 160 | 212 | 50 | 39 | 41.5 | 190 | 268 | 84 | 170 | 293 |
| PW750Z | 1" | 1" | 132 | 160 | 212 | 50 | 39 | 41.5 | 190 | 268 | 84 | 170 | 293 |
Кривая производительности

Параметры производительности
| Модель | Мощность | Макс . расход ( м 3 / ч ) | Макс . напор ( м ) | Макс . высота всасывания ( м ) | |
| Однофазный двигатель | кВт | л.с. | |||
| PW125 | 0.125 | 0.17 | 2 | 24 | 8 |
| PW250 | 0.25 | 0.34 | 2.2 | 30 | 8 |
| PW370 | 0.37 | 0.5 | 2.4 | 36 | 8 |
| PW550 | 0.55 | 0.75 | 3.0 | 42 | 8 |
| PW750 | 0.75 | 1 | 3.4 | 50 | 8 |
| PW125Z | 0.125 | 0.17 | 2 | 24 | 8 |
| PW250Z | 0.25 | 0.34 | 2.2 | 30 | 8 |
| PW370Z | 0.37 | 0.5 | 2.4 | 36 | 8 |
| PW550Z | 0.55 | 0.75 | 3.0 | 42 | 8 |
| PW750Z | 0.75 | 1 | 3.4 | 50 | 8 |
Упаковочные размеры
| Модель | Упаковочные размеры ( мм ) | Масса брутто ( кг ) | Кол-во в 20-футовом контейнере |
| PW125(Z) | 295×230×300 | 8.3 | |
| PW250(Z) | 9.0 | ||
| PW370(Z) | 9.3 | ||
| PW550(Z) | 315×245×325 | 12.1 | |
| PW750(Z) | 13.8 |

Пока нет комментариев